咨詢熱線
15231779603
產品描述:伸縮型鼓型齒式聯軸器具有少量軸線偏移補償性能,不能緩沖,減振.外形尺寸小,理論上傳遞轉矩大,需要潤滑,密封,但噪聲較大,價格貴,用于聯接水平兩同軸線軸系傳動.
15231779603





伸縮型鼓型齒式聯軸器具有少量軸線偏移補償性能,不能緩沖、減振。外形尺寸小,理論上傳遞轉矩大,需要潤滑、密封,但噪聲較大、價格貴,用于聯接水平兩同軸線軸系傳動。用于低速、重載工況條件下聯接水平兩同軸線,如冶金機械、重型機械等。

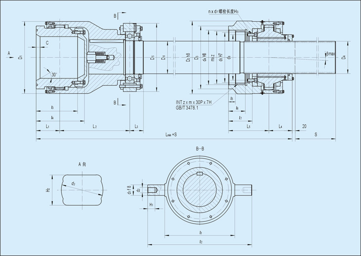
GSL-F反裝長伸縮鼓形齒聯軸器的參數及主要尺寸:(JB/T 10540-2006) mm


注1:兩端的聯接尺寸(軋輥端連接尺寸和減速器端模數和齒數)是按*大結構尺寸給出的,當實際需要更改時,可在此范圍內進行調整。
注2:聯軸器*短長度的確定公式:Lmin=L1+L2+L3+L4+L5+L'(此表中,中間軸長度L'按0計算),實際安裝長度(含伸縮量)根據用戶的實際需要確定。
注3:表中的質量和轉動慣量是按Lmin 計算的近似值。
聯系電話:
手機號碼:
企業Q Q:
聯系郵箱:
公司地址: