咨詢熱線
15231779603
NF型非接觸式逆止器
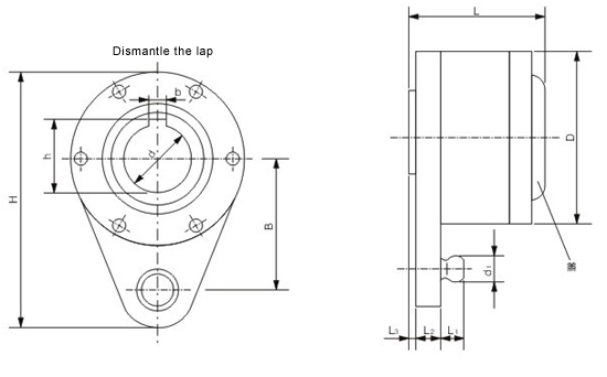
1、適用范圍及用途 5、NFA逆止器結構簡圖及安裝尺寸 6、適用說明 6.1 根據工況計算所需逆止力矩M,M要小于或等于逆止器的額定逆止力矩Mn。
NF型非接觸式逆止器是用在高速軸上的防逆轉裝置,具有逆止可靠,解脫容易、逆止力矩大、重量輕、安裝方便等優點。其綜合機械性能明顯優于其它逆止裝置,廣泛地應用于帶式輸送機、斗式提升機、刮板輸送機及其它有逆止要求的設備。我廠生產的NF型逆止器,其技術性能完全符合ZBJ81007-89的規定,同時,為了便于用戶的安裝,我廠還開發帶防轉座的非接觸式逆止器,型號為NFG。
2、工作原理
在逆止器內部,有多個異形塊分布在由內、外圈所形成的滾道中,當內圈正向運轉時,帶動異形塊一起旋轉,當轉速過非接觸轉速時,異形塊在離心力的作用下發生偏轉,與內、外圈脫離接觸,從而實現無摩損運轉。當內圈反向運轉時,在彈簧的作用下,異形塊與內、外圈接觸并將其楔緊成一體,承受由內圈傳送來的反向力矩。(見圖10)

3、型號及標記
3.1 型號意義

3.2 標記示例
NFS63-80表示:內圈順時針方向旋轉,逆止力矩6300N·m,安裝孔徑為80mm的NF型非接觸式逆止器。
NFGN100-90表示:內圈逆時針方向旋轉,額定逆止力矩10000N·m,安裝孔徑為90mm的帶防轉支座的非接觸式逆止器。
4、NF型逆止器的結構簡圖及主要技術參數

止力矩
Te
N·m
轉 速
r/min
轉速
r/min
kg
1、d優先系列:32、38、40、42、45、48、50、55、60、65、70、75、80、85、90、95、100、110、120、130、140、150、160;
2、內孔公差值為E7,推薦配合公差為E7/h6;
3、鍵槽尺寸及公差按GB1095-79的C11制造。

NYA16
NYA25
NYA40
NYA63
NYA80
NYA100
NYA125
NYA160
NYA200
NYA250
45
50
60
70
80
90
100
110
120
130
60
70
80
90
100
110
130
140
150
160
110
115
120
125
130
140
160
165
175
180
150
155
166
180
185
220
250
260
260
270
208
230
245
265
285
305
340
370
415
450
167
172
183
196
200
238
262
273
275
285
38
43
48
56
56
68
76
84
87
92
225
250
265
330
345
375
400
435
465
500
12
16
16
20
20
22
22
25
25
25
200
250
250
380
380
400
400
450
450
450
160
200
200
330
330
350
350
380
380
380
14
18
18
22
22
22
22
26
26
26
95
120
120
160
160
170
170
180
180
180
60
75
75
100
100
110
110
125
125
125
20
25
25
34
34
34
34
36
36
36
非接觸式逆止器安裝在減速器的高速軸軸伸或中間軸伸上。逆止器的選型與其安裝軸所需的逆止力矩、軸伸的轉速及尺寸有關。
以帶式輸送機為例其選取型步驟如下:
式中:
Mr--輸送機所需的計算逆止力矩(N·m)
i--逆止器安裝軸伸到減速器輸出軸的傳動比
n--安裝在輸送機驅動裝置上的逆止器數量
Kj--接合系數(每小時停機小于10次,Kj=0;每小時停機大于10次,Kj=0.1)
Ku--溫度系數,按環境溫度查表7
Ks--工作時間系數,按每天工作時間查表8
f--壽命系數,按逆止器逆止總次數查圖

Φ--不均載系數,根據輸送機布置形式確定單驅動 Φ=1;多驅動可按表6查取
6.3 根據安裝逆止器的軸伸尺寸確定逆止器的安裝孔直徑。
6.4 確定逆止器的旋轉方向。面對其安裝軸伸的外端面觀察,軸伸順時針方向旋轉,內圈旋向代號為“S”;反之則為“N”。
6.5 根據逆止力矩、逆止器安裝孔直徑和內圈的旋向代號,按前面所述的型號表示方法確定逆止器的型號。
聯系電話:
手機號碼:
企業Q Q:
聯系郵箱:
公司地址: