咨詢熱線
15231779603
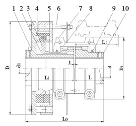
產品描述:JSA型安全型聯軸器是一種結構*的金屬彈性聯軸器.它以蛇形彈簧片軸向嵌入兩半聯軸器的齒槽內,來實現原動機與工作機的聯接,由于簧片的特殊性能
15231779603

| 型號 | 公稱轉矩 Tn |
許用轉速 np |
周孔直徑 | 軸孔長度 | 總長 Ln |
*大外徑 D |
D1 | L2 | 間隙 t |
重量 | 潤滑油 | ||
| 軸套 dlmas |
半聯軸器 d |
軸套 L1 |
半聯軸器 L |
||||||||||
| /N.m | /r.min-3 | /mm | /kg | ||||||||||
| JSA1 | 4~35.5 | 3600 | 25 | 20、22、24、25、28 | 79 | 48 | 130 | 178 | 102 | 48 | 3 | 6.174 | 0.027 |
| JSA2 | 12.5~100 | 32 | 25、28、30、32、35 | 202 | 111 | 50 | 8.172 | 0.04 | |||||
| JSA3 | 20~60 | 35 | 25、28、30、32、35、38、40 | 51 | 133 | 232 | 117 | 63 | 11.532 | 0.054 | |||
| JSA4 | 31.5~250 | 42 | 30、32、35、38、40、42、45、48 | 87 | 60 | 150 | 270 | 138 | 16.435 | 0.068 | |||
| JSA5 | 56~450 | 45 | 35、38、40、42、45、48、50 | 97 | 63 | 163 | 301 | 151 | 76 | 21.974 | 0.086 | ||
| JSA6 | 80~630 | 56 | 40、42、45、48、50、55、56、60、63 | 104 | 76 | 183 | 324 | 162 | 83 | 28.239 | 0.1135 | ||
| JSA7 | 140~1250 | 2800 | 65 | 45、48、50、55、56、60、63、65、70、71、75 | 114 | 89 | 206 | 362 | 194 | 92 | 41.042 | 0.172 | |
| JSA8 | 250~2000 | 2500 | 75 | 50、55、56、60、63、65、70、71、75、80、85 | 129 | 99 | 231 | 414 | 213 | 109 | 62.652 | 0.254 | |
| JSA9 | 450~3550 | 2100 | 90 | 70、71、75、80、85、90、95、100 | 144 | 121 | 270 | 491 | 251 | 147 | 5 | 100.788 | 0.426 |
| JSA10 | 630~5600 | 1850 | 100 | 80、85、90、95、100、110 | 156 | 127 | 288 | 543 | 270 | 152 | 128.028 | 0.499 | |
| JSA11 | 1000~8000 | 1750 | 110 | 90、95、100、110、120、125 | 185 | 149 | 340 | 590 | 308 | 178 | 6 | 182.962 | 0.726 |
| JSA12 | 1400~11200 | 1450 | 130 | 100、110、120、125、130、140、150 | 193 | 162 | 361 | 684 | 346 | 185 | 260.142 | 0.908 | |
| JSA13 | 2000~16000 | 1300 | 160 | 120、125、130、140、150、160、170、180 | 199 | 184 | 389 | 767 | 384 | 213 | 375.912 | 1.135 | |
| JSA14 | 2800~22400 | 1100 | 170 | 130、140、150、160、170、180、190、200 | 245 | 183 | 434 | 864 | 453 | 254 | 502.124 | 1.907 | |
| JSA15 | 4000~31500 | 950 | 200 | 160、170、180、190、200、220 | 250 | 198 | 454 | 989 | 501 | 652.398 | 2.815 | ||
| JSA16 | 5600~45000 | 870 | 240 | 180、190、200、220、240、250 | 268 | 216 | 490 | 1066 | 566 | 267 | 869.864 | 3.495 | |
| JSA17 | 7100~63000 | 760 | 280 | 200、220、240、250、260、280 | 292 | 239 | 537 | 1161 | 630 | 1162.24 | 3.768 | ||
| JSA18 | 10000~80000 | 720 | 300 | 240、250、260、280、300 | 297 | 259 | 562 | 1264 | 673 | 279 | 1426.922 | 4.404 | |
| JSA19 | 14000~100000 | 670 | 320 | 250、260、280、300、320 | 315 | 279 | 600 | 1377 | 757 | 1806.92 | 5.629 | ||
| 序號 | 零件名稱 | 材料 | 序號 | 零件名稱 | 材料 |
| 1 | 半聯軸器 | 45、40Cr | 6 | 蛇形彈簧 | 65Mn、60SiMn、50CrVA |
| 2 | 聯接凸緣 | ZG 270-500 | 7 | 螺栓 | 8.8級 |
| 3 | 中間軸 | 50Cr | 8 | 螺母 | 8級 |
| 4 | 制動輪 | ZG 310-570 | 9 | 內軸套 | ZCu5PbZn5 |
| 5 | 罩殼 | 鑄鋁、15Mn |
聯系電話:
手機號碼:
企業Q Q:
聯系郵箱:
公司地址: