咨詢熱線
15231779603

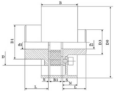
LXZ(XLL)系列帶制動輪星形聯軸器
LXZ帶制動輪型星形彈性聯軸器的適用范圍和性能特點
本聯軸器是以工程塑料作彈性元件,適用于聯接兩同軸線的傳動軸系,具有補償兩軸相對偏移、緩沖、減震、耐磨性能,適應場合普遍,傳遞轉矩20-35000.N.M,工作溫度-35-+80攝氏度并與德國ROTEX聯軸器互換。
LXZ(xll)帶制動輪型星形彈性聯軸器基本性能參數和主要尺寸
| 型號 | 公稱轉矩 Tn N·m |
軸孔直徑 d1,d2 |
L | D | D1 | D3 | D0 | B1 | S | 轉動慣量 kg·m2 |
質量 kg |
|
| Y | J1 | |||||||||||
| LXZ3 | 200 | 10*,11* | 25 | 22 | 65 | 48 | 36 | 160 200 250 |
15 | 2.5 | 0.0016 | 1.5 |
| 12*,14* | 32 | 27 | ||||||||||
| 16,18,19 | 42 | 30* | ||||||||||
| 20,22,24 | 52 | 38 | ||||||||||
| 25,28* | 62 | 44 | ||||||||||
| LXZ4 | 400 | 12*,14* | 32 | 27 | 80 | 66 | 48 | 160 200 250 |
18 | 3 | 0.0029 | 3.3 |
| 16,18,19 | 42 | 30* | ||||||||||
| 20,22,24 | 52 | 38 | ||||||||||
| 25,28 | 62 | 44 | ||||||||||
| 30,32,35*,38* | 82 | 60 | ||||||||||
| LXZ5 | 560 | 14* | 32 | 27 | 95 | 75 | 53 | 200 250 315 400 |
20 | 3 | 0.0076 | 6.10 |
| 16*,18*,19* | 42 | 30 | ||||||||||
| 20,22,24 | 52 | 38* | ||||||||||
| 25,28 | 62 | 44* | ||||||||||
| 30,32,35,38 | 82 | 60 | ||||||||||
| 40*,42* | 112 | 84★ | ||||||||||
| LXZ6 | 630 | 16*,18*,19* | 42 | 30 | 105 | 85 | 63 | 200 250 315 400 |
21 | 3.5 | 0.009 | 7.5 |
| 20,22,24 | 52 | 38* | ||||||||||
| 25,28 | 62 | 44* | ||||||||||
| 30,32,35,38 | 82 | 60 | ||||||||||
| 40,42,45*,48* | 112 | 84★ | ||||||||||
| LXZ7 | 800 | 20*,22*,24* | 52 | 38 | 120 | 98 | 76 | 200 250 315 400 |
22 | 4 | 0.023 | 9.3 |
| 25,28 | 62 | 44 | ||||||||||
| 30,32,35,38 | 82 | 60 | ||||||||||
| 40,42,45,48,50,55* | 112 | 84★ | ||||||||||
| LXZ8 | 900 | 22*,28* | 52 | 38 | 135 | 115 | 82 | 250 315 400 500 |
26 | 4.5 | 0.042 | 15.0 |
| 25*,24* | 62 | 44* | ||||||||||
| 30,32,35,38 | 82 | 60* | ||||||||||
| 40,42,45,48,50,55,56 | 112 | 84 | ||||||||||
| 60,63,65* | 142 | 107★ | ||||||||||
| LXZ9 | 2000 | 30,32,35,38 | 82 | 60* | 160 | 135 | 101 | 250 315 400 500 630 |
30 | 5 | 0.070 | 21.8 |
| 40,42,45,48,50,55,56 | 112 | 84 | ||||||||||
| 60,63,65,70,71,75 | 142 | 107 | ||||||||||
| LXZ10 | 5000 | 40,42,45,48,50,55,56 | 112 | 84* | 200 | 160 | 130 | 315 400 500 630 |
34 | 5.5 | 0.189 | 40.0 |
| 60,63,65,70,71,75 | 142 | 107 | ||||||||||
| 80,85,90 | 172 | 132 | ||||||||||
| LXZ11 | 7100 | 50,55,56 | 112 | 84* | 225 | 180 | 145 | 400 500 630 710 |
38 | 6 | 0.312 | 61.8 |
| 60,63,65,70,71,75 | 142 | 107* | ||||||||||
| 80,85,90,95 | 172 | 132 | ||||||||||
| 100 | 212 | 167 | ||||||||||
| LXZ12 | 8000 | 60,63,65,70,71,75 | 142 | 107* | 255 | 200 | 167 | 400 500 630 710 |
42 | 6.5 | 0.60 | 77.8 |
|
80,85,90,95 |
172 | 132 | ||||||||||
| 100,110 | 212 | 167 | ||||||||||
| LXZ13 | 10000 | 60,63,65,70,71,75 | 142 | 107* | 290 | 230 | 190 | 500 630 710 800 |
46 | 7 | 1.00 | 102.6 |
| 80,85,90,95 | 172 | 132 | ||||||||||
| 100,110,120,125 | 212 | 167 | ||||||||||
| LXZ14 | 14000 | 60,63,65,70,71,75 | 142 | 107* | 320 | 255 | 210 | 500 630 710 800 |
50 | 7.5 | 1.69 | 149.5 |
| 80,85,90,95 | 172 | 132 | ||||||||||
| 100,110,120,125 | 212 | 167 | ||||||||||
| 130,140 | 252 | 202 | ||||||||||
| LXZ15 | 20000 | 80,85,90,95 | 142 | 107* | 370 | 290 | 248 | 630 710 800 |
57 | 9 | 3.59 | 228.5 |
| 100,110,120,125 | 172 | 132 | ||||||||||
| 130,140,150 | 212 | 167 | ||||||||||
| 160 | 302 | 242 | ||||||||||
| LXZ16 | 25000 | 80,85,90,95 | 172 | 132* | 420 | 325 | 285 | 630 710 800 |
64 | 10.5 | 6.13 | 298.8 |
| 100,110,120,125 | 212 | 167 | ||||||||||
| 130,140,150 | 252 | 202 | ||||||||||
| 160,170,180 | 302 | 242 | ||||||||||
注1:表中打“*”號的尺寸,不適用于d2,打“★”號的尺寸不適用于Z1型軸孔。
注2:表中的質量和轉動慣量是按*大軸孔直徑Y型孔計算的近似值,未包括制動輪。
注3:制動輪的相關尺寸見表6。
| 制動輪直徑 D0 | 160 | 200 | 250 | 315 | 400 | 500 | 630 | 710 | 800 | |
| 許用轉速 r/min | 3550 | 2800 | 2240 | 1800 | 1400 | 1120 | 900 | 800 | 710 | |
| B | 70 | 85 | 105 | 135 | 170 | 210 | 265 | 300 | 340 | |
| N | LXZ3 | 30 | 35 | 38 | — | — | — | — | — | — |
| LXZ4 | 31 | 36 | 39 | — | — | — | — | — | — | |
| LXZ5 | — | 38 | 45 | 50 | — | — | — | — | — | |
| LXZ6 | — | 38 | 48 | 52 | — | — | — | — | — | |
| LXZ7 | — | 40 | 50 | 58 | 62 | — | — | — | — | |
| LXZ8 | — | 50 | 58 | 72 | 82 | — | — | — | — | |
| LXZ9 | — | — | 50 | 58 | 73 | 83 | — | — | — | |
| LXZ10 | — | — | — | 64 | 75 | 84 | 107 | 110 | — | |
| LXZ11 | — | — | — | — | 78 | 92 | 112 | 115 | — | |
| LXZ12 | — | — | — | — | 80 | 95 | 112 | 125 | — | |
| LXZ13 | — | — | — | — | — | 100 | 115 | 130 | 132 | |
| LXZ14 | — | — | — | — | — | 102 | 125 | 130 | 132 | |
| LXZ15 | — | — | — | — | — | — | 126 | 132 | 150 | |
| LXZ16 | — | — | — | — | — | — | 130 | 140 | 155 | |
| 轉動慣量 kg·m2 | 0.012 | 0.035 | 0.100 | 0.350 | 1.010 | 2.900 | 8.720 | 15.90 | 30.08 | |
| 質量 kg | 2.4 | 3.92 | 8.2 | 17.8 | 34.2 | 63.2 | 119 | 169 | 221 | |
聯系電話:
手機號碼:
企業Q Q:
聯系郵箱:
公司地址: